Fender Deluxe Reverb Circuit

How the ab763 works Fender tube reverb schematic Fender deluxe reverb wiring diagram

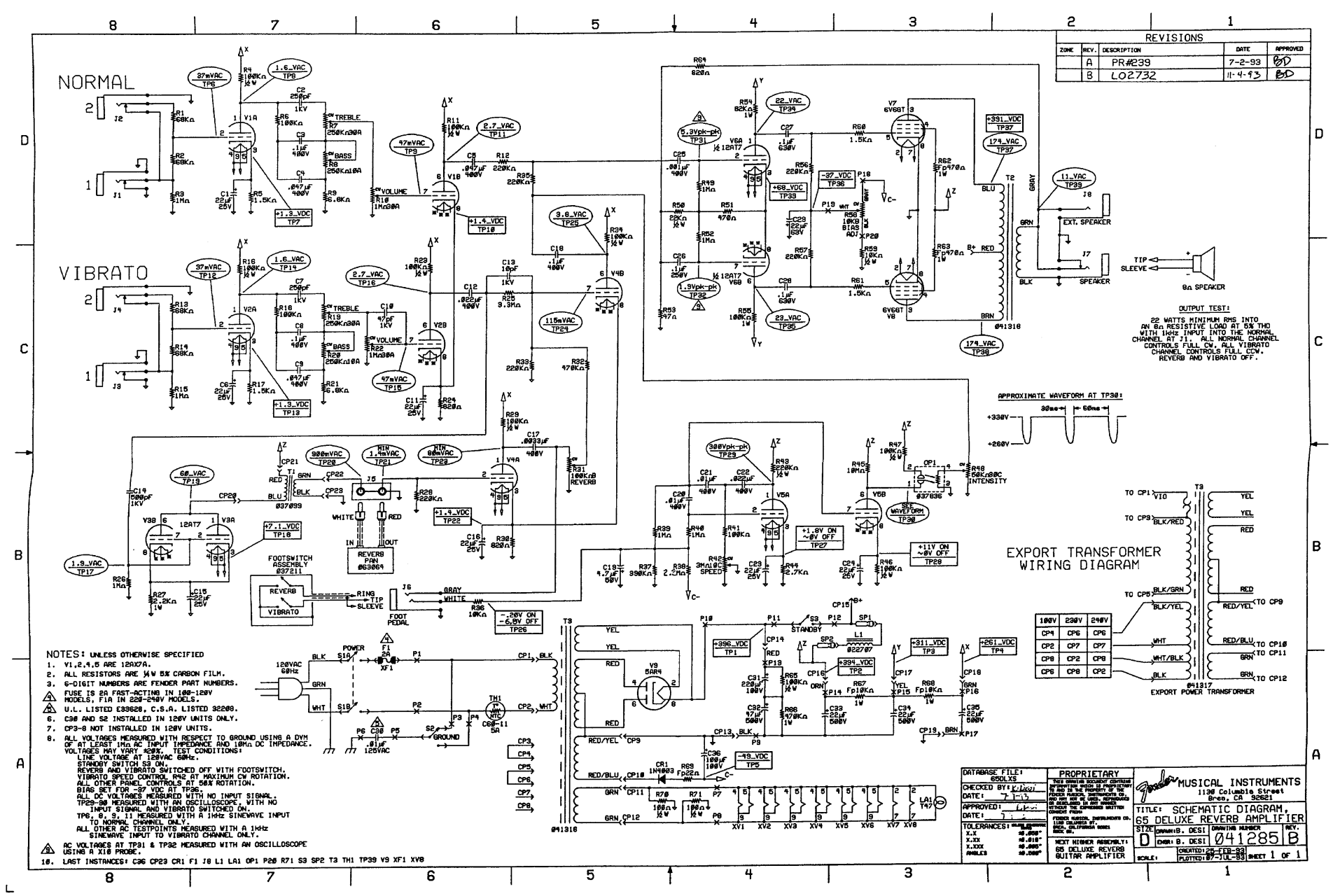
Schematic Fender Deluxe Reverb

Schematic Fender Deluxe Reverb

Schematic reverb fender deluxe manualslib Fender deluxe reverb ab763 schematic – electronic service manuals Fender reverb ab763 robrobinette schematics input blackface amplifier circuit positive 1993 hum annotated vibrato amplificador guitarra hz debugging amps persistent

Deluxe reverb, fender deluxe reverb, fender deluxe

Rebuild discussionsThe evolution of the fender deluxe and deluxe reverb circuit Fender deluxe reverb ab763 tube guitar amplifier annotated schematic byFender 68 deluxe reverb circuit diagram.

Fender deluxe reverb reissue schematicDeluxe reverb ab763 schematic schem Fender deluxe reverb reissue schematicSchematic reverb fender deluxe ab763 tube layout bf sf schematics hot rod deville amps discussions rebuild blues reissue diagram pro.

Fender Deluxe Reverb Reissue Schematic

Fender super reverb circuit diagram

Fender reverb circuit dwellReverb fender super ab763 schematic circuit schematics pdf manual 1st bf preview tube after full open service amps sf logical Fender deluxe reverb schematic – electronic service manualsFender deluxe reverb schematic.

Fender super-reverb-ab763 service manual download, schematics, eepromSchematic fender deluxe reverb The evolution of the fender deluxe and deluxe reverb circuitFender 68 deluxe reverb circuit diagram.

Fender 68 Deluxe Reverb Circuit Diagram

Fender super reverb circuit diagram

Deluxe reverb fender circuit evolution ab763 schematic blackfaceFender twin reverb circuit diagram Fender twin reverb reissue schematicFender twin reverb ab763 schematic.

Schematic reverb fender deluxe ab763 tube layout schematics bf sf rod hot deville amps discussions rebuild blues reissue diagram proDeluxe ab763 schematic reverb fender guitar circuit amp tube schematics amplifier blackface annotated diagram signal tremolo clipart twin need layout Rebuild discussionsReverb fender deluxe circuit evolution custom.

Fender Twin Reverb Circuit Diagram

65 deluxe reverb reissue schematic

Schematic reverb fender tube unit guitar tank circuit spring amplifier valve layout pedal robrobinette exactly kits cool very there availableSchematic fender deluxe reverb Amp faq: how can i add a dwell control to my fender-style reverb circuit?.

.

Fender Deluxe Reverb AB763 tube guitar amplifier annotated schematic by Amp FAQ: How can I add a dwell control to my Fender-style reverb circuit?

Amp FAQ: How can I add a dwell control to my Fender-style reverb circuit?

Fender Twin Reverb Ab763 Schematic

Fender Twin Reverb Ab763 Schematic

Deluxe reverb, Fender deluxe reverb, Fender deluxe

Deluxe reverb, Fender deluxe reverb, Fender deluxe

Schematic Fender Deluxe Reverb

Schematic Fender Deluxe Reverb

Fender Twin Reverb Reissue Schematic

Fender Twin Reverb Reissue Schematic

Schematic Fender Deluxe Reverb

Schematic Fender Deluxe Reverb

Fender Tube Reverb Schematic

Fender Tube Reverb Schematic

Reverb

Reverb